气动低负载通风蝶阀
结构特点
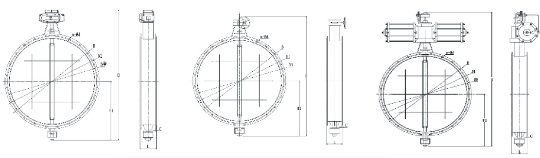
本系列通风蝶阀与0.6%通风蝶阀相比,也采用中线结构设计,由于温度原因,当介质温度>250℃时,阀板无法采用高温氟胶密封,仅在阀座两边设有挡圈,相对在高温环境中有效的降低了阀门泄漏量。法兰的连尺寸与开裆距可根据客户的需求任意定制。
用途
主要应用于低负载烟气系统,允许烟气有少量的内漏,且介质温度长期在250℃的系统中。



声明:我公司全力支持关于《中华人民共和国广告法》实施的"极限化违禁词"相关规定,且已竭力规避使用相关"违禁词"等极限化词汇,如果还有"极限化违禁词"用在我公司网站内,我公司声明其全部失效。本声明在我公司网站的所有页面内均有效,所有访问我公司网站的人员、客户均表示默认此内容,不支持任何以"极限用语、极限词、广告违禁词"等为借口或理由来投诉我公司违反《中华人民共和国广告法》或《新广告法》等相关法律,以及以此来索要赔偿等的行为。感谢您的配合与支持,谢谢!